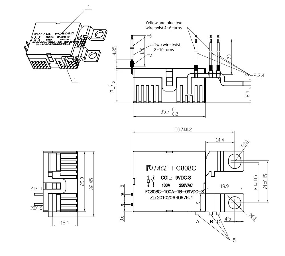
Номинален ток:100А
Диапазон на задвижващото напрежение:6-48V DC
Работна температура:-40°C до 85°C
материал:висококачествена високоякостна изолационна пластмаса и добре адаптирани медни медни листове и контакти от сребърна сплав
Размери:могат да бъдат персонализирани според изискванията, предоставят подробни чертежи с размери
















